实干、实践、积累、思考、创新。
根据用户的意见,更新了PPC软件,并采用最新的PPC软件( [科研][试验][软件] PPC v2025: Pause Point Correction [试验曲线停顿点修正工具] )对一组试验曲线进行修正,做一个软件应用案例。
原始试验滞回曲线和位移历程如下图所示。


从滞回曲线和位移历程曲线,都可以看到明显的停顿点,位移历程曲线的存在停顿平台。
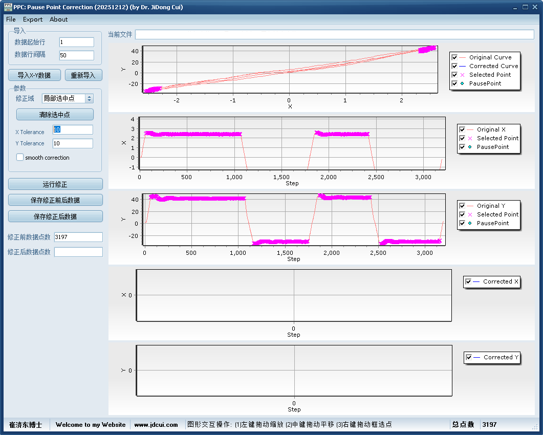
将曲线导入PPC进行分析,如下图所示。

由于停顿只在有限的范围出现,因此选中停顿平台范围的点,针对这些范围进行修正,如下图。


最终停顿点修正后的效果如下:
修正前后滞回曲线:

修正后历程曲线:

- 相关试验数据处理工具( Related Programs)
[01] [程序] YPD 2025: Yield Point and Ductility [等效屈服点和延性分析程序 2025版]
[02] [试验][工具] YPD_BAT:Yielding Point & Ductility BATCH [骨架曲线等效屈服点和延性计算分析 批处理版]
[03] [程序] HLA v2025: Hysteretic Loop Analysis Program [HLA滞回曲线分析工具 2025版]
[04] [软件][试验][科研] HLA_BAT: Hysteretic Loop Analysis Program (Batch Version) [滞回环分析工具批处理版]
[05] [科研][工具][软件] BBCA v2025: Extract Backbone Curve from Hysteretic Loop [从滞回曲线提取骨架曲线]
[07] [试验][软件][科研] LoopModifier 2024: Hysteretic Loop Modification Program[滞回曲线修正工具 2024版]
[08] [软件][试验][编程] NoiseRemoval: A Program for De-Noising of Experimental Data [试验数据降噪修正工具]
[09] [科研][软件][试验] HLAV: Hysteresis Loop Animation Viewer [滞回环动画演示软件]
[11] [工具][试验][软件] DataSmoothing v2024: A Program for Test Data Smoothing [试验数据曲线平滑+降噪工具 2024版]
[13] [试验][工具] CFHLA v2025: Cyclic/Fatigue Loading Hysteresis Loop Analysis [单向往复与疲劳滞回曲线分析及骨架曲线提取工具 2025版]
[14] [程序][科研][本构] BMMF: Bilinear Material Model Fitting Tool [BMMF:二折线试验滞回曲线本构拟合工具]
[15] [软件][试验][研究] SawtoothRemove: Remove the Sawtooth Patterns in Your Test Data [剔除试验数据中的锯齿]
[16] [软件][工具][编程] GAAGM: Graph Animation and Animated Gif Maker [曲线图动画及Gif动图生成工具][滞回曲线动画演示].
[17] [科研][工具][试验][Test] DH3816 DP: DH3816N静态应变测试系统数据动画
[18] [Tool][科研][试验] LoopArea: Hysteristic Loop Area Calculator [滞回环面积求解器]
[19] [软件][试验][编程] HLA_ETC: Analysis of eccentric tension and compression hysteresis curve [偏心拉、压滞回曲线分析程序]
[20] [科研][试验][软件] PPC v2025: Pause Point Correction [试验曲线停顿点修正工具]
- 微信公众号 ( Wechat Subscription)

![Grasshopper建筑结构参数化建模应用实例[Practical Examples of Parametric Modeling for Building Structures Using Grasshopper]](http://www.jdcui.com/wp-content/uploads/2026/01/封面.png)